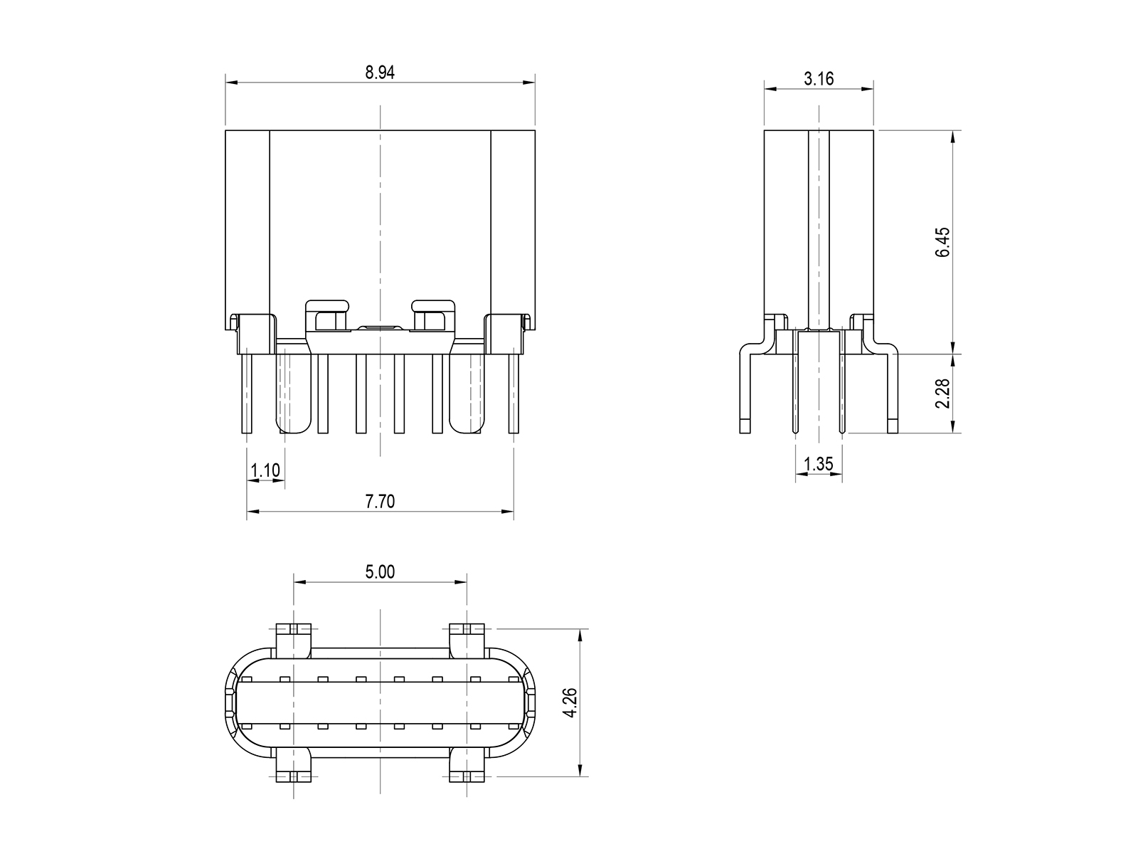
Type C Receptacle Vertical 16Pin H 6.50mm

  • 料号:TPC0220-FXXX-XXXXX-1BR
特征、优势
· 额定电流 5A
· 16 PIN
· 0.50 mm 端子间距
· 高6.50mm

料号代码说明:

T P C 0 2 2 0 - F X X X - X X X X X - 1 B R

系列码

TPC: TYPE C连接器

序列号  

公母

M:母座

产品高度

050:5.0MM度

 

端子电镀规格

01:1u"金

05:5u"金

10:10u"金

30:30u"金

PIN数

080:80PIN

  流水号

塑胶颜色

B:黑色

包装

R:卷装

· 配对连接器:TPC0218-MXXX-XXXXX-1BR

wingueter